PусскийОграничители перенапряжения высокого напряжения: необходимая защита систем возобновляемой энергетики в 2026 году Ограничители перенапряжения из металлооксида в полимерном корпусе защищают солнечные фотоэлектрические и ветряные турбины от молний и перенапряжений. Решения Fenarro, сертифицированные IEC, обеспечивают легкую, устойчивую к загрязнению защиту с высоким поглощением энергии. Идеально подходит для солнечных ферм на Ближнем Востоке и ветровых проектов в Юго-Восточной Азии. Спрос на возобновляемые источники энергии растет со среднегодовым темпом роста 5%. Свяжитесь с Fenarro для получения надежной защиты от перенапряжения.
ЗН23-40,5
Fenarro
| штат: | |
|---|---|
| Количество: | |
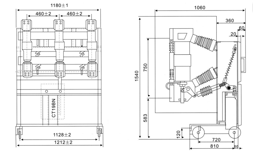
Разработанный с использованием передовой технологии вакуумного прерывания, ZN23-40.5 обеспечивает превосходную отключающую способность , , длительный срок службы и стабильные механические характеристики . Он особенно подходит для промышленных предприятий, подстанций и металлургической промышленности , включая дуговые печи , где требуются частые операции и высокая надежность.
Этот продукт соответствует стандарту GB1984-89 «Высоковольтные автоматические выключатели переменного тока» и соответствующим стандартам IEC.
Силовые подстанции высоковольтной защиты и управления
Промышленные предприятия, которым требуется стабильное распределение электроэнергии
Металлургическая промышленность, такая как сталеплавильное производство и дуговые печи.
Горнодобывающие операции с необходимостью частого переключения
ЗРУ в сетях 40,5 кВ
Высокая отключающая способность – предназначен для безопасной работы с токами перегрузки и короткого замыкания.
Технология вакуумного прерывания – обеспечивает бездуговое, стабильное и надежное переключение.
Готовность к частой эксплуатации – особенно подходит для металлургической и сталелитейной промышленности, требующей постоянного переключения.
Длительный механический срок службы – способен выдерживать тысячи рабочих циклов с минимальным износом.
Компактная конструкция для внутреннего применения – оптимизирована для легкой интеграции в современное распределительное устройство.
Соответствие стандартам – соответствует GB1984-89 и соответствующим стандартам IEC для высоковольтных выключателей.
Повышенная безопасность – работа без дуги снижает опасность взрыва и пожара.
| Серийный номер | Название | устройства | Данные |
|---|---|---|---|
| 1 | Номинальное напряжение | кВ | 40.5 |
| 2 | Номинальное выдерживаемое напряжение грозового импульса (пиковое значение) | кВ | 185 |
| 3 | Выдерживаемое напряжение промышленной частоты в течение 1 мин. | кВ | 95 |
| 4 | Номинальная частота | Гц | 50 |
| 5 | Номинальный ток | A | 1250, 1600, 2000 |
| 6 | Номинальный ток отключения при коротком замыкании | кА | 25, 31,5 |
| 7 | Номинальный кратковременный выдерживаемый ток | кА | 25, 31,5 |
| 8 | Номинальный пиковый выдерживаемый ток | кА | 63, 80 |
| 9 | Номинальная продолжительность короткого замыкания | s | 4 |
| 10 | Номинальное время отключения при коротком замыкании | РС | ≈90 |
| 11 | Номинальный ток включения при коротком замыкании | кА | 80 |
| 12 | Номинальная последовательность операций | - | Открытие — 0,3 с Закрытие и разделение — 180 с Закрытие и открытие |
| 13 | Время закрытия | РС | 50~85 |
| 14 | Время открытия | РС | 40~80 |
| 15 | Число срабатываний по номинальному току отключения при коротком замыкании | раз | 20 |
| 16 | Механическая жизнь | раз | 10000 |
| 17 | Номинальный ток отключения батареи конденсаторов | A | 630 |
| 18 | Номинальная мощность электродвигателя-аккумулятора | W | 25 |
| 19 | Номинальное напряжение электродвигателя-аккумулятора | V | AC/DC220, 110 |
| 20 | Энергия - Время хранения | s | <15 |
| 21 | Номинальное напряжение замыкающего и открывающего электромагнита | V | AC/DC220, 110 |
| 22 | Номинальный ток расцепителя максимального тока | A | 5 |
| 23 | Номинальный ток вспомогательного переключателя | A | 10 |
В1: На какой уровень напряжения рассчитан ЗН23-40,5?
A1: Он предназначен для трехфазных внутренних систем напряжением 40,5 кВ, 50 Гц..
В2: подходит ли он для частого переключения?
О2: Да, он специально разработан для частой эксплуатации в таких отраслях, как металлургия и дуговые печи.
В3: Каким стандартам соответствует этот выключатель?
A3: Он соответствует стандарту GB1984-89 «Высоковольтные автоматические выключатели переменного тока» и соответствующим стандартам IEC.
В4: Можно ли использовать его на подстанциях?
A4: Да, он широко используется на силовых подстанциях в качестве переключателя управления и защиты.
В5: В каких отраслях обычно используется этот выключатель?
A5: Идеально подходит для промышленных предприятий, металлургии, горнодобывающей промышленности и систем распределения высокого напряжения..
Разработанный с использованием передовой технологии вакуумного прерывания, ZN23-40.5 обеспечивает превосходную отключающую способность , , длительный срок службы и стабильные механические характеристики . Он особенно подходит для промышленных предприятий, подстанций и металлургической промышленности , включая дуговые печи , где требуются частые операции и высокая надежность.
Этот продукт соответствует стандарту GB1984-89 «Высоковольтные автоматические выключатели переменного тока» и соответствующим стандартам IEC.
Силовые подстанции высоковольтной защиты и управления
Промышленные предприятия, которым требуется стабильное распределение электроэнергии
Металлургическая промышленность, такая как сталеплавильное производство и дуговые печи.
Горнодобывающие операции с необходимостью частого переключения
ЗРУ в сетях 40,5 кВ
Высокая отключающая способность – предназначен для безопасной работы с токами перегрузки и короткого замыкания.
Технология вакуумного прерывания – обеспечивает бездуговое, стабильное и надежное переключение.
Готовность к частой эксплуатации – особенно подходит для металлургической и сталелитейной промышленности, требующей постоянного переключения.
Длительный механический срок службы – способен выдерживать тысячи рабочих циклов с минимальным износом.
Компактная конструкция для внутреннего применения – оптимизирована для легкой интеграции в современное распределительное устройство.
Соответствие стандартам – соответствует GB1984-89 и соответствующим стандартам IEC для высоковольтных выключателей.
Повышенная безопасность – работа без дуги снижает опасность взрыва и пожара.
| Серийный номер | Название | устройства | Данные |
|---|---|---|---|
| 1 | Номинальное напряжение | кВ | 40.5 |
| 2 | Номинальное выдерживаемое напряжение грозового импульса (пиковое значение) | кВ | 185 |
| 3 | Выдерживаемое напряжение промышленной частоты в течение 1 мин. | кВ | 95 |
| 4 | Номинальная частота | Гц | 50 |
| 5 | Номинальный ток | A | 1250, 1600, 2000 |
| 6 | Номинальный ток отключения при коротком замыкании | кА | 25, 31,5 |
| 7 | Номинальный кратковременный выдерживаемый ток | кА | 25, 31,5 |
| 8 | Номинальный пиковый выдерживаемый ток | кА | 63, 80 |
| 9 | Номинальная продолжительность короткого замыкания | s | 4 |
| 10 | Номинальное время отключения при коротком замыкании | РС | ≈90 |
| 11 | Номинальный ток включения при коротком замыкании | кА | 80 |
| 12 | Номинальная последовательность операций | - | Открытие — 0,3 с Закрытие и разделение — 180 с Закрытие и открытие |
| 13 | Время закрытия | РС | 50~85 |
| 14 | Время открытия | РС | 40~80 |
| 15 | Число срабатываний по номинальному току отключения при коротком замыкании | раз | 20 |
| 16 | Механическая жизнь | раз | 10000 |
| 17 | Номинальный ток отключения батареи конденсаторов | A | 630 |
| 18 | Номинальная мощность электродвигателя-аккумулятора | W | 25 |
| 19 | Номинальное напряжение электродвигателя-аккумулятора | V | AC/DC220, 110 |
| 20 | Энергия - Время хранения | s | <15 |
| 21 | Номинальное напряжение замыкающего и открывающего электромагнита | V | AC/DC220, 110 |
| 22 | Номинальный ток расцепителя максимального тока | A | 5 |
| 23 | Номинальный ток вспомогательного переключателя | A | 10 |
В1: На какой уровень напряжения рассчитан ЗН23-40,5?
A1: Он предназначен для трехфазных внутренних систем напряжением 40,5 кВ, 50 Гц..
В2: подходит ли он для частого переключения?
О2: Да, он специально разработан для частой эксплуатации в таких отраслях, как металлургия и дуговые печи.
В3: Каким стандартам соответствует этот выключатель?
A3: Он соответствует стандарту GB1984-89 «Высоковольтные автоматические выключатели переменного тока» и соответствующим стандартам IEC.
В4: Можно ли использовать его на подстанциях?
A4: Да, он широко используется на силовых подстанциях в качестве переключателя управления и защиты.
В5: В каких отраслях обычно используется этот выключатель?
A5: Идеально подходит для промышленных предприятий, металлургии, горнодобывающей промышленности и систем распределения высокого напряжения..